
Services de Conception PCB
Expert PCB propose des services variés en conception électronique et industrialisation.


Design Layout PCB – Rigueur, expertise et confidentialité
Le design layout PCB est une étape déterminante dans le cycle de développement d’un produit électronique. Chez nous, il est réalisé avec le plus haut niveau d’exigence, en combinant maîtrise technique, outils de conception avancés et confidentialité absolue.
Une approche structurée et collaborative
Chaque projet débute par l’analyse et l’importation des données techniques fournies par le client : netlist, schéma électronique, contraintes mécaniques, contraintes électriques et règles de conception spécifiques.
Lorsque le client ne dispose pas encore de schéma complet, notre équipe peut également en assurer la réalisation à partir de cahiers des charges fonctionnels ou de prototypes existants.
Une conception maîtrisée de bout en bout
Nos ingénieurs layout assurent toutes les étapes du processus de conception :
Création et validation des footprints et de la bibliothèque (BIB) selon les normes IPC,
Constitution et mise à jour de la BOM (Bill of Materials),
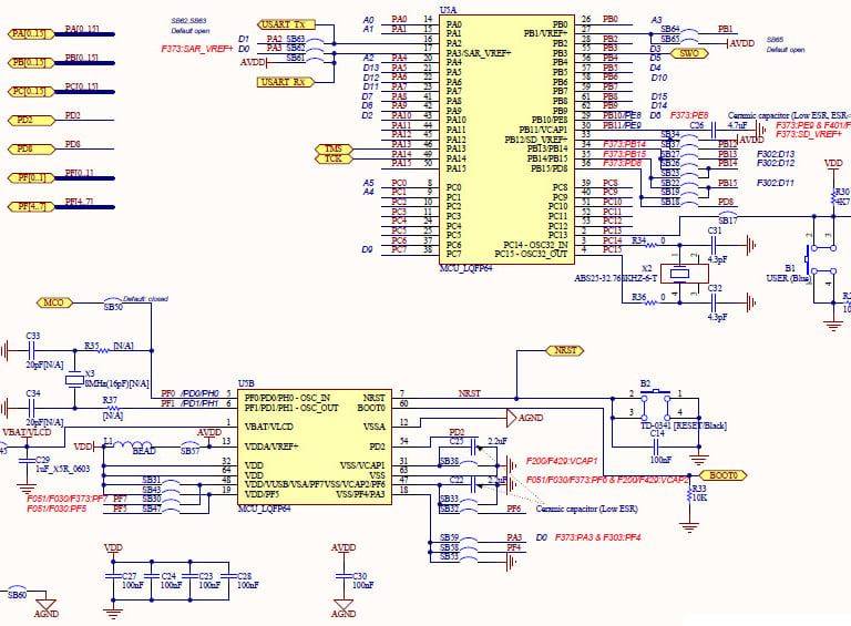
Définition du stack-up multicouche avec prise en compte des contraintes d’impédances, des technologies HDI, des vias blind et buried,
Placement optimisé des composants en cohérence avec les contraintes thermiques, mécaniques et de routage,
Réalisation du layout complet avec application stricte des règles de design (clearances, impédances, blindage, signaux rapides, etc.),
Vérifications DRC (Design Rule Check) systématiques,
Génération des plans de fabrication, fichiers Gerber, fichiers d’assemblage et documents de production destinés aux EMS et fabricants de PCB.
Chaque phase fait l’objet d’une validation commune avec le client, permettant un contrôle précis et une traçabilité totale tout au long du projet. Ce travail collaboratif garantit la conformité du design aux exigences fonctionnelles et industrielles.
Des outils de conception de référence
Nos conceptions sont réalisées sur les plateformes Altium Designer, Cadence Allegro et Zuken, selon les préférences et les standards de nos clients.
Ces environnements de développement garantissent une compatibilité optimale avec les flux de production électronique, les analyses de signaux, les simulations et les outils de validation utilisés par les EMS.
Des ingénieurs designers expérimentés
Nos designers PCB sont avant tout des ingénieurs en électronique disposant d’une expérience approfondie dans la conception de cartes complexes.
Cette double compétence leur permet de comprendre les contraintes amont des développeurs (contraintes fonctionnelles, signaux rapides, puissance, CEM) comme les impératifs aval de production (assemblage, testabilité, fiabilité).
Le résultat : des designs à la fois performants, industrialisables et conformes aux standards de qualité des grands acteurs de l’électronique.
Confidentialité et sécurité des échanges
La confidentialité des données est au cœur de notre démarche.
Toutes les informations échangées — schémas, routages, nomenclatures, fichiers CAO, spécifications — sont traitées avec une stricte confidentialité.
Les accès sont limités à l’équipe projet concernée, et aucun fichier n’est transmis à des tiers sans validation explicite du client.
Nos processus internes garantissent que la propriété intellectuelle du donneur d’ordre reste intégralement protégée.
Des clients issus de tous les secteurs de l’électronique
Nous collaborons aussi bien avec des grands groupes industriels, des bureaux d’études électroniques et embarqués, des PME, des startups, que des sous-traitants de câblage et EMS (Electronic Manufacturing Services).
Chacun bénéficie d’une approche adaptée, d’une communication fluide et d’un accompagnement technique rigoureux.






Expert PCB propose des services variés en conception électronique et industrialisation.
Exemples de projets de design PCB réalisés
Notre expérience en conception de cartes électroniques couvre un large éventail d’applications industrielles et technologiques. Chaque design repose sur une compréhension fine des contraintes du client : performances électriques, compatibilité électromagnétique, intégration mécanique, coûts de production et robustesse à long terme. Voici dix exemples illustrant la diversité et la technicité des projets que nous avons réalisés.
1. Carte de contrôle moteur triphasé 48 V – forte contrainte CEM et thermique
Conception d’une carte de puissance 6 couches intégrant drivers MOSFET, capteurs de courant et convertisseurs DC/DC isolés.
Routage différentiel, plans de masse optimisés, zones à isolation galvanique, et équilibrage thermique précis sous Altium Designer.
Respect des normes de sécurité électrique et des distances de fuite/isolement.
2. Module radio RF 2,4 GHz avec antenne intégrée
Design HDI 10 couches avec vias laser et impédances contrôlées à 50 Ω.
Optimisation des longueurs différentielles, minimisation des pertes et des réflexions, couplage optimisé entre antenne et module RF.
Conception validée par simulation et coupons d’impédance qualifiés.
3. Carte de mesure analogique haute précision
Routage soigné de signaux analogiques faibles (µV) à proximité de zones numériques.
Séparation stricte des plans analogiques/digitaux, routage en impédance basse, blindage par plans de masse dédiés et contrôle de bruit de fond.
Stack-up 4 couches symétrique validé avec le fabricant PCB.
4. Système embarqué pour environnement sévère (militaire et industriel)
PCB 8 couches avec composants traversants et CMS mixtes, conformal coating, tolérance aux chocs et vibrations.
Sélection de matériaux FR408HR haute Tg, validation des contraintes mécaniques et thermiques selon IPC-6012 classe 3.
5. Carte de gestion batterie lithium-ion multi-cellules
Implémentation de BMS avec équilibrage actif, mesure de température, isolation CAN et interface UART.
Contraintes de sécurité renforcées et routage haute tension (jusqu’à 120 V).
Empilages optimisés pour dissipation thermique et séparation galvanique.
6. Interface vidéo haute vitesse (LVDS / HDMI / MIPI)
Conception de PCB 10 couches avec paires différentielles à impédance contrôlée (90 Ω).
Routage haute vitesse sous contraintes de longueur et de délai (skew balancing).
Vérification SI/PI et respect des recommandations du fabricant du SoC.
7. Carte de commande pour application médicale
Réalisation d’un design conforme aux normes IEC 60601.
Isolation des circuits patients, filtrage CEM renforcé, et conception DFM adaptée à la production en salle blanche.
Validation complète du design avec le client à chaque phase avant industrialisation.
8. Module IoT ultra-compact à très faible consommation
Design 6 couches avec microvias, processeur basse consommation et antenne intégrée.
Placement contraint dans un boîtier miniature avec antenne céramique interne.
Optimisation énergétique et routage en zones radio blindées.
9. Carte d’alimentation 400 W à topologie LLC
Étude thermique approfondie, simulation de pertes, optimisation des pistes haute intensité et des retours de courant.
Stack-up à base de cuivre épais (70 µm) et contraintes d’isolation pour 400 VDC.
Validation DRC complète avant transfert vers production EMS.
10. Carte numérique FPGA avec DDR4 et bus haut débit
Design 12 couches avec via buried/blind, longueur compensée au picoseconde près.
Routage différentiel de bus DDR4 et PCIe avec contraintes de phase et d’impédance.
Simulation d’intégrité du signal et validation commune client/fabricant avant lancement série.
Une conception adaptée à chaque besoin
Chaque projet est conduit avec un souci constant de conformité, de reproductibilité et de fiabilité.
Les validations intermédiaires sont systématiques : schéma, stack-up, placement, routage, DRC, jusqu’à la génération finale des fichiers Gerber et plans de fabrication.
Nos ingénieurs en conception électronique garantissent la cohérence entre les exigences de développement, les contraintes de production et la maîtrise CEM.
Toutes les conceptions sont réalisées sous Altium Designer, Cadence Allegro ou Zuken, selon les standards du client, dans un cadre de confidentialité stricte assurant la protection totale des données et des savoir-faire.
Nos clients incluent des bureaux d’études, EMS, startups innovantes, PME industrielles et grands groupes internationaux exigeant précision, rigueur et fiabilité.






Questions Fréquemment Posées
Quels services proposez-vous ?
Nous offrons conception de schémas, routage, layout, et un service de fabrication de PCB pour divers secteurs comme le médical et aéronautique, l'industrie.
Comment garantissez-vous la qualité ?
Nous assurons la qualité ISO9000 et par des valeurs fortes : satisfaction client, respect des délais et conseils en intégration électronique.
Quel est votre délai de réponse ?
Nous garantissons une réactivité optimale grâce à un interlocuteur unique pour faciliter la gestion de vos projets.
Quels secteurs desservez-vous ?
Nous travaillons dans les secteurs médical, robotique, aéronautique, spatial, et bien d'autres.
Comment vous contacter ?
Vous pouvez nous contacter via notre site web ou par téléphone pour toute demande de renseignements.
Expert PCB
Design PCB pour l'industrie depuis 2006.
telephone
Contact
+33 (0)6.59.09.89.95
+33(0)4.28.61.78.43
© 2025. All rights reserved.
29 Rue Nicolas Joseph cugnot
26000 Valence - France
